产品简介
SDS3000X系列曾是鼎阳的高性价比选择。其500 MHz至1 GHz的带宽,配合4 GSa/s的采样率和1,000,000 wfm/s的波形捕获率,确保了测试的快速与准确。四通道设计加上扩展功能,满足了多种测试场景的需求。
主要特性
- 带宽500 MHz, 1 GHz
- 实时采样率4 GSa/s
- 波形捕获率1,000,000 wfm/s
- 通道数 4模拟通道+16数字通道
- 10.1英寸触摸屏搭配Windows操作系统
array(8) {
[18]=>
string(53) "https://www.siglent.com/products/oscilloscope/filter/"
[22]=>
string(58) "https://www.siglent.com/products/spectrum_analyzer/filter/"
[21]=>
string(54) "https://www.siglent.com/products/arb_generator/filter/"
[1008]=>
string(32) "https://www.siglent.com/product/"
[23]=>
string(44) "https://www.siglent.com/products/vna/filter/"
[24]=>
string(53) "https://www.siglent.com/products/rf-generator/filter/"
[25]=>
string(53) "https://www.siglent.com/products/power_supply/filter/"
[27]=>
string(51) "https://www.siglent.com/products/multimeter/filter/"
}
模拟带宽
1 GHz
通道数
最高实时采样率
4 GSa/s




SDS3000X系列采用顶级的用户界面MAUI,迷人的简洁,所有菜单层级只有两级。
水平、垂直和触发系统相关的功能控制都可以通过面板的10.1英寸高清电容触摸屏来完成。对于改变波形的位置、触发位置、查看波形细节、光标位置、配置测量参数、选择配置信息等,都可以通过简单的触控操作来轻松实现。
为了方便用户操作,SDS3000X系列把最常用的操作都做成了一键式设计,共计15种,配合触摸屏,极大地提升了用户的操作体验。

传统的数字示波器,波形数据处理、显示都在CPU中完成,CPU成为整个数据采集、处理和显示的瓶颈。基于SPO架构的SDS3000X系列智能示波器采用了SIGLENT自主创新的波形采集、图像处理引擎,利用FPGA完成波形的处理和显示,实现了
高刷新 – 使示波器能快速捕获到低概率事件
256级波形辉度等级及色温显示
数字触发 – 低抖动、高触发灵敏度
深存储 – 不压缩的20 Mpts原始采集点用于测量
利用这些特性,用户可快速发现偶发的毛刺和异常信号,查找出问题根源。

SDS3000X系列智能示波器拥有丰富的调试工具包,可在信号捕获、调试、分析、存档和报告等环节提供强大的帮助。
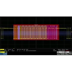
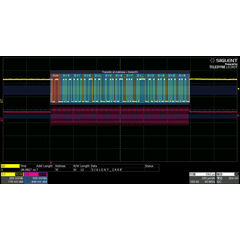
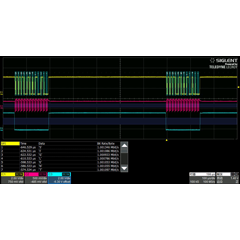
SDS3000X智能触发包括窗口、间隔、漏失、欠幅、斜率、边沿、脉宽、判定合格、逻辑图、高清视频和串行总线触发(I2C、I2S、SPI、UART/RS232、LIN、CAN、CAN-FD、FlexRay、MIL1553、USB 2.0)。并且还标配了顺序和历史模式。顺序模式下,两帧之间的最小死区时间为1 us, 其等效刷新率可达100万帧/秒。 配合后台运行的历史模式是故障分析的有力工具。

WaveScan被称为示波器中的Google, 能够实时地对采集到的波形进行测量分析,搜索出感兴趣的信号,可对搜索到的信号进行列表显示、高亮标识和放大观察,可以静态地“查找”,也可以动态地“扫描”。
动态扫描时,当查找到感兴趣的信号时,示波器可以产生“停止捕获,发出告警声,自动保存波形,打印屏幕,产生报告”等各种动作,从而实现“无人值守”的排查异常信号的作用。

SDS3000X系列提供24种参数的测量统计功能,不丢失任何细节,真正做到测量所有捕获到的波形参数。
不论是5个样本还是50个样本,抑或50,000,000个样本,所有样本数“一个也不少”,配合描述统计参数概率分布的直方图功能,可准确、全面地掌握测量统计结果。

| 对比数据 | SDS3000X(停产) | Tektronix 3系列MDO | Keysight 3000T X系列 |
|---|---|---|---|
| 模拟带宽 | 500 MHz - 1 GHz | 100 MHz - 1 GHz | 100 MHz - 1 GHz |
| 通道数 | 4 CH + EXT | 2/4 CH + EXT | 2/4 CH+ EXT |
| 最大实时采样率 | 4 GSa/s | 5 GSa/s | 5 GSa/s |
| 最大存储深度 | 20 Mpts | 10 Mpts | 4 Mpts |
| 最高波形捕获率 | 1,000,000 wfm/s | 280,000 wfm/s | 1,000,000 wfm/s |
| 垂直灵敏度 | 1 mV/div ~10 V/div | 1mV~10V/div | 1 mV/div ~5 V/div |
| 顺序模式 | 支持,1000段 | 不支持 | 不支持 |
| 历史模式 | 支持,1023帧 | 不支持 | 不支持 |
| Pass/Fail测试 | 标配 | 选配 | 选配 |
| 趋势图功能 | 支持 | 不支持 | 不支持 |
| 辉度及色温显示 | 256级辉度及色温显示 | 256级辉度及色温显示 | 64级辉度及色温显示 |
| 屏幕 | 10.1英寸触摸屏 | 11.6英寸触摸屏 | 8.5英寸触摸屏 |
| 价格 | ¥70,580 起 | $4,480 起 | $4,044 起 |
*注:以上价格及参数于2019年7月19日在各品牌官网采集,如有出入,以其官网为准
| 加入对比 | 产品型号 | 模拟带宽 | 通道数 | 最高实时采样率 | 垂直分辨率 | 最大存储深度 | 最高波形捕获率 | 价格 |
|---|

无源探头,500 MHz带宽,10X衰减比,输入阻抗11pF || 10MΩ, 带自动识别功能

USB数据线,用于仪器与PC通信。使用前,需要在PC端安装NI-VISA驱动。

仪器标配一根符合用户所在国家标准的电源线。不同地区的附加电源线可以单独购买。

仪器标配的快速指南

高压探头,DC-40 MHz带宽,1000X衰减比,输入阻抗3pF || 100MΩ。

DPB5150 / DPB5150A / DPB5700 / DPB5700A / DPB1300 / DPB4080 带宽范围:50 MHz~100 MHz
更多探头资料,请点击查看《DPB4000~5000高压差分探头明书》、《DPB1300高压差分探头说明书》


ZD1000、ZD1500 带宽:1 GHz / 1.5 GHz

ZS1500:1.5 GHz;
ZS1000:1 GHz

CP4020/CP4050/CP4070/CP4070A/CP6030/CP6030A/CP6150/CP6500

便携软包BAG-S2,适用于SSA3000X Plus, SSA3000X, SVA1000X,SSA1000X,SDS5000X,SDS3000X HD,SDS3000X,SDS2000X,SDS2000X Plus系列


CAN触发及解码选件

CAN-FD触发及解码套件

FlexRay触发及解码套件

IIC触发及解码套件

IIS触发及解码套件

LIN触发及解码套件

SPI触发及解码套件

UART/RS232触发及解码套件

数字电压表(软件选件)

25 MH函数/任意波形发生器
