产品简介
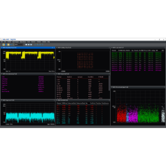
SigVSA 矢量信号分析软件是一款可运行于 Windows 和 Linux 操作系统上的专业矢量信号分析应用软件。 使用 SigVSA,用户可以反复地分析待测信号,快捷地排除故障, 从简易的 BPSK 到复杂的宽带信号,如 4G LTE、5G NR、 IEEE802.11b/a/g/n/ac/ax/be 和 4096QAM。并且具有丰富的测量功能,便利的操作体验与和矢量分析仪相同的用户交互界面,具有高效性和易用性。支持在电脑端进行远程矢量信号分析和调试,同时控制多台仪器设备并行运行,提高测试效率。
主要特性
- PC端进行离线波形数据分析
- 多种IQ数据格式
- 支持指定信号最大2G分析带宽
- 支持通用OFDM信号分析
- 支持4G LTE、5G NR等蜂窝协议标准信号分析
- 支持多种通用调制信号分析
- 支持IEEE802.11b/a/g/n/ac/ax/be等WLAN标准信号分析
- 支持在线控制多台仪器采集,并获取波形数据到PC端分析
- 支持同时控制多台仪器设备并行矢量分析,多个应用独立显示,便捷清晰














